사업소개

산업기계제조업

Industrial Machinery

급탕가열시스템

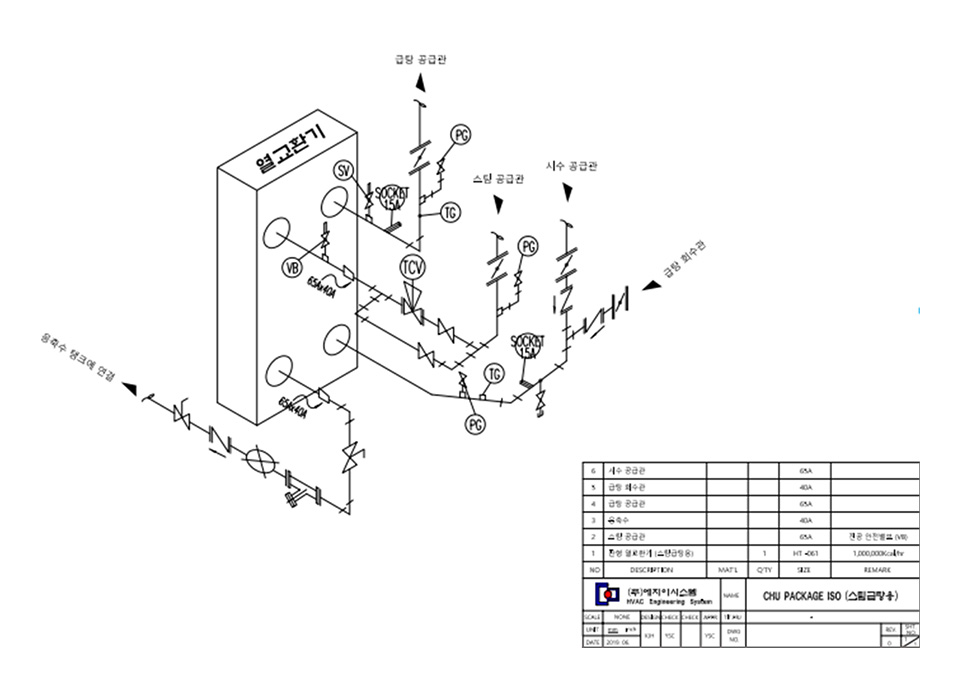
P & ID

DRAWING

제작사진

제품사양

Model Heating Capcity (Macal/h) Stemam Pipe Size(A) Condensate Pipe Size(A) Water Inlet/Outlet(60-5) Pipe Size(A) 10mmAq Trap Size TCV Valve Size Dimension
Flow Rate(lpm) Pipe Size(A)
HES-P-300M ~350 80 40 106 65 40A 50A 1,400 x 500 x 1,900
HES-P-600M ~610 100 50 185 65 50A 65A 1,400 x 500 x 1,900
HES-P-900M ~900 125 65 276 80 50A 80A 1,600 x 600 x 2,200
HES-P-1400M ~1400 150 80 424 100 50A 125A 1,600 x 600 x 2,200